
隨著機械工業的不斷發展,對金屬材料的要求也越來越高,如何在材料以及熱處理工藝既定的前提下盡量提高金屬工件的機械性能及使用壽命,這成為很多熱處理行業前沿人士思考并探索的問題。鋼材在熱處理工藝之后,其硬度及機械性能均大大提高,但熱處理后依然有殘存的以下問題:
1、 殘余奧氏體。其比例大約有10%-20%,由于奧氏體很不穩定,當受到外力作用或環境溫度改變時,易轉變為馬氏體,而奧氏體與馬氏體的比容不一樣,將造成材料的不規則膨脹,降低工件的尺寸精度。
2、 組織晶粒粗大,材料碳化物固溶過飽和。
3、 殘余內應力。熱處理后的殘余內應力將降低材料的疲勞強度以及其他機械性能,在應力釋放過程中且易導致工件的變形。
經過國內外許多金屬材料研究者的不懈研究,深冷及超深冷處理工被認為可以解決以上問題。
一、 什么是深冷處理?
深冷處理是將金屬在-100℃下進行處理,使柔軟的殘余奧氏體幾乎全部轉變成高強度的馬氏體,并能減少表面疏松,降低表面粗糙度的一個熱處理后工序,當這個工序完成后,不僅僅是表面,幾乎可以使整個金屬的強度增加,耐磨性增加,韌性增加,其他性能指標改善,從而使得模具和刀具翻新數次后仍然具有高的耐磨性和高的強度,壽命成倍增加。而未進行深冷處理的刀剪產品,翻新后壽命會顯著降低。深冷處理不僅應用于刀剪產品,而且能應用于制作刀剪產品的模具上,同樣可以使模具壽命顯著提高
二、深冷處理的機理
1、 消除殘余奧氏體:
一般淬火回火后的殘余奧氏體在8~20%左右,殘余奧氏體會隨著時間的推移進一步馬氏體化,在馬氏體轉變過程中,會引起體積的膨脹,從而影響到尺寸精度,并且使晶格內部應力增加,嚴重影響到金屬性能,深冷處理一般能使殘余奧氏體降低到2%以下,消除殘余奧氏體的影響。如果有較多的殘余奧氏體,強度降低,在周期應力作用下,容易疲勞脫落,造成附近碳化物顆粒懸空,很快與基體脫落,產生剝落坑,形成較大粗糙度的表面。
2、 填補內部空隙,使金屬表面積即耐磨面增大:
深冷處理使得馬氏體填補內部空隙,使得金屬表面更加密實,使耐磨面積增加,晶格更小,合金成分析出均勻,淬火層深度增加,而且不僅僅是表面,使翻新次數增加,壽命提高。
3、 析出碳化物顆粒:
深冷處理不僅減少殘余馬氏體,還可以析出碳化物顆粒,而且可細化馬氏體孿晶,由于深冷時馬氏體的收縮迫使晶格減少,驅使碳原子的析出,而且由于低溫下碳原子擴散困難,因而形成的碳化物尺寸達納米級,并附著在馬氏體孿晶帶上,增加硬度和韌性。深冷處理后金屬的磨損形態與未深冷的金屬顯著不同,說明它們的磨損機理不同。
深冷處理可以使絕大部分殘余奧氏體馬氏體化,并在馬氏體內析出高彌散度的碳化物顆粒,伴隨著基體組織的細微化,這種改變無法用傳統的金屬學,相變理論來解釋,也不是以原子擴散形式來進行的,一般 -150℃~-180℃下,原子已經失去了擴散能力,只能以物理學能量觀點來解釋,其轉變機理目前尚未研究清楚。因此有待人們進一步探討。
4、 減少殘余應力;
5、 使金屬基體更加穩定;
6、 使金屬材料的強度、韌性增加;
7、 使金屬硬度提高約HRC1~2;
8、 紅硬性顯著增加;
三、 深冷工藝
通常的深冷處理,是按照降溫,保溫,和升溫三個階段來進行的。
1、 通用的深冷處理工藝:
以每分鐘降低0.25~0.5℃以內的速度,降低到-185℃,降溫時間約12小時,然后保溫24~36小時,再緩慢的以每分鐘降低0.25~0.5℃以內的速度升到室溫或更高溫度(+160℃)

吉列公司就是用上述曲線。
2、各階段的意義
(1)降溫階段
緩慢降溫的目的是徹底消除殘余應力。因為淬火和回火的過程中,金屬基體內會產生殘余應力,在殘余奧氏體在向馬氏體轉變的過程中,發生體積膨脹,也會使得殘余應力增加,只有緩慢降溫,才能抵消殘余應力的增加,并徹底消除殘余應力。基體內的殘余應力一般情況下大家不予重視,但正是基體內的殘余應力,使得刀剪產品產生崩裂等缺陷。快速降溫反而會增加殘余應力。
(2) 保溫階段
保溫的目的是使基體內的殘余奧氏體盡可能的全部轉變為馬氏體,并盡可能多的產生碳化物顆粒,因為殘余奧氏體向馬氏體轉變的過程是個緩慢的過程,保溫時間的長短會影響到殘余奧氏體轉變的量,同時深冷后壽命的高低主要是保溫時間的長短來決定的,通常情況下,保溫2~4小時性能已經有所改善,但如果是高質量的產品,均需要使用24小時以上的保溫時間,壽命的提高倍數與保溫時間的長短有直接關系。
(3)升溫階段
緩慢升溫的過程主要目的就是防止殘余應力的產生。
國內深冷處理的研究因設備的限制一般采用液氮直冷法,即工件直接放入液氮內,保溫時間比較短,一般保溫時間與直徑(mm)一致,這種辦法會很大程度的增加殘余應力,雖性能有所改善,但畢竟不是一種安全可靠的方法。
升溫階段一般升到室溫即可,如果考慮到零件的特殊用途,如工作溫度比較高等,可以再緩慢升到+160℃。
從深冷的機理可以看出,以上的工藝曲線與材料的材質及大小關系不大,只是處理后的效果因材料因素而不同,國外幾乎所有的工模具,刀剪,量刃具等都采用這種工藝進行深冷處理,而我國一些企業因為成本的原因,往往采用偷工減料的辦法,所以成效不高
3、深冷處理最佳時機
一般認為,深冷處理應該在工件淬火兩個小時內處理效果最好,因為殘余奧氏體隨著時間的推移會逐步向馬氏體轉變,而且轉變后的馬氏體會進行固化,從而析出碳化物的能力降低。
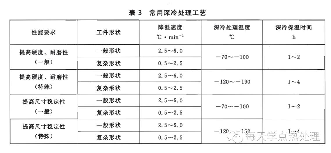
四、常用適合深冷處理的鋼材

GB/T 25743有關深冷處理工藝的分類

五、 影響深冷效果的因素
1、 同樣的深冷處理工藝因材質不同而效果不同
2、 同樣的深冷處理工藝因工件形狀不同而效果不同
3、 溫度越低,效果越好
4、 時間越長,效果越好
5、 深冷處理后材料的耐腐蝕性有所提高
六、 深冷處理目前國內外的發展狀況
上世紀30年代,人們發現在阿爾啤斯雪山放工具一段時間后比較好用,并且用的時間更長。
美國研究人員于1965年發現深冷處理可以使工模具刀具耐磨性增加,日本、德國、俄羅斯等國諸多學者也相繼開展了深冷處理技術的研究工作,上世紀七十年代,美國深冷處理工藝在工模具、刀剪、量具上進行應用,大范圍應用是在上世紀八十年代,目前美國和歐洲的模具,刀剪等行業已經應用普遍,并且有很多專業深冷處理加工廠,利用現成的工藝為客戶進行深冷處理,并承諾無效退款。瑞士軍刀和吉列公司的剃須刀片均進行過深冷處理。
我國深冷處理的研究相對較晚,真正理論性的研究幾乎很少,大部分是一些外資企業進到中國后帶來的技術,主要應用在一些旨在消除殘余奧氏體等簡單應用上,對于深層次的應用尚待時機,特別是刀剪行業,更是微乎其微。質量上臺階,壽命的提高,增強國際競爭力,需要進行這方面的研究和應用,可以肯定的說,將來的產品一定會走這條路的。
制約國內發展的原因:
1.資料甚少,應用不廣,造成信息不通暢。
2.持懷疑態度,能否真的增加壽命?
3.液氮來源不暢,價格不菲。
4.增加成本,售價不會增加,這是主要制約因素。
(本平臺"常州精密鋼管博客網"的部分圖文來自網絡轉載,轉載目的在于傳遞更多技術信息。我們尊重原創,版權歸原作者所有,若未能找到作者和出處望請諒解,敬請聯系主編微信號:steel_tube,進行刪除或付稿費,多謝!)

