鐵碳合金是人類使用最為廣泛的金屬材料,不同成分的鐵碳合金,組織和性能也不相同。在研究和使用鋼鐵材料、制定其熱加工和熱處理工藝以及分析工藝廢品的原因時,都需要應用鐵-碳相圖,可見鐵-碳相圖的重要性,下面小編帶大家從鐵-碳合金的典型組織、相圖剖析及平衡結晶過程三個方面一起看看那些年我們追過的鐵-碳相圖。
![]()
鐵-碳合金典型組織
鐵素體(Ferrite)/(α-Fe)/(F)
組織:碳在α-Fe中的固溶體,體心立方晶格;
特性:碳在α-Fe中溶解度極小,室溫時僅為0.0008%,在727℃時達到最大溶解度0.0218%;
性能:鐵素體的力學性能特點是塑性、韌性好,而強度、硬度低。
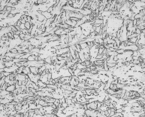
鐵素體的組織為多邊形晶粒,性能與純鐵相似。
![]()
鐵素體晶體結構
![]()
鐵素體金相圖
奧氏體(Austenite)/(γ-Fe)/(A)
組織:碳溶于γ-Fe中的間隙固溶體,面心立方晶格;
特性:碳在γ-Fe中的溶解度要比在α-Fe中大,在727℃時為0.77%,在1148℃時溶解度最大,可達2.11%;
性能:具有一定的強度和硬度,塑性和韌性也好。
奧氏體組織為不規則多面體晶粒,晶界較直鋼材熱加工都在奧氏體區進行。
![]()
奧氏體晶體結構
![]()
奧氏體金相圖
滲碳體(Cementite)/(Fe3C)/(C)
組織:鐵和碳的化合物(Fe3C);
特性:呈復雜晶格結構的間隙化合物.含碳量為6.67%,Fe3C是一種介穩態相,在一定條件下會發生分解;
性能:硬度很高、耐磨,但脆性很大,塑性幾乎為零。
滲碳體是鋼中的強化相,根據生成條件不同滲碳體有條狀、網狀、片狀、粒狀等形態。
![]()
滲碳體金晶體結構
![]()
滲碳體金相圖
珠光體(Pearlite)/(P)
組織:由鐵素體+滲碳體組成的機械混合物;
特性:珠光體是過冷奧氏體等溫轉變產物,呈現珍珠般的光澤,根據轉變溫度不同珠光體分為:珠光體(P)、索氏體(S)和屈氏體(T),三者本質并無差別,轉變溫度逐漸降低,尺寸P>S>T,;
性能:力學性能介于鐵素體與滲碳體之間,強度較高,硬度適中,塑性和韌性較好;
顯微組織為由鐵素體片與滲碳體片交替排列的片狀組織,高碳鋼經球化退火后也可獲得球狀珠光體(也稱粒狀珠光體)。
![]()
片狀珠光體金相圖
![]()
粒狀珠光體金相圖
萊氏體(Ledeburite)/(Ld/Ld’)
組織:萊氏體是奧氏體+滲碳體的機械混合物,727℃以下時,是珠光體+滲碳體機械混合物;
特性:鑄鐵合金溶液含碳量在2.11%以上時,緩慢冷到1147℃便凝固出共晶萊氏體;1148℃~727℃之間的萊氏體稱為高溫萊氏體(Ld);727℃以下的萊氏體稱為變態萊氏體或稱低溫萊氏體(Ld’),
性能:萊氏體的力學性能與滲碳體相似,硬度很高,塑性極差,幾乎為零。
金相組織整體呈蜂窩狀,奧氏體分布在滲碳體的基體上。
![]()
萊氏體金相圖
貝氏體(Bainite)/(B)
組織:貝氏體是鐵素體+滲碳體的機械混合物,介于珠光體與馬氏體之間的一種組織;
上貝氏體:形成于550~450℃,基體為鐵素體,條狀碳化物于鐵素體片邊緣析出,呈羽毛狀;
下貝氏體:形成于300℃,呈細針片狀,針狀鐵素體上布有小片狀碳化物,片狀碳化物于鐵素體的長軸大致是55~60度角;
粒狀貝氏體:外形相當于多邊形的鐵素體,鐵素體基體上布有顆粒狀碳化物(小島組織原為富碳奧氏體,冷卻時分解為鐵素體及碳化物,或轉變為馬氏體或仍為富碳奧氏體顆粒)
性能:上貝氏體的強度小于同一溫度形成的細片狀珠光體,脆性大;在低溫范圍內,通過貝氏體轉變得到的下貝氏體具有非常好的綜合力學性能。
![]()
上貝氏體金相圖
![]()
下貝氏體金相圖
![]()
粒狀貝氏體金相圖
魏氏組織(WidmannstattenStructure)
組織:固溶體發生分解時第二相沿母相的一定晶面析出的常呈三角形、正方形或十字形分布的晶型;
鐵素體魏氏組織:在亞共析鋼中,當奧氏體以快冷速度通過Ar3~Ar1溫度區時,鐵素體片插向奧氏體晶粒內部,這些分布在原奧氏體晶粒內部呈片狀先共析鐵素體被稱為鐵素體魏氏組織;
滲碳體魏氏組織:在過共析鋼中,奧氏體晶粒度和冷卻條件合適時,滲碳體以針狀或扁片狀、條狀出現在奧氏體晶粒內部,形成滲碳體魏氏組織。
性能:粗大的魏氏組織使鋼材的塑性、韌性下降,脆性增加。
![]()
魏氏組織金相圖
馬氏體(Martensite)/(M)
組織:碳在α-Fe中的過飽和固溶體稱為馬氏體,體心正方結構;
特征:馬氏體是過冷奧氏體快速冷卻,在Ms與Mf點之間的切變方式發生轉變的產物,分為板條狀馬氏體(低碳)和針狀馬氏體;
性能:馬氏體有很高的強度和硬度,但塑性很差,幾乎為零,不能承受沖擊載荷。
板條狀馬氏體:又稱低碳馬氏體,在低、中碳鋼及不銹鋼中形成,由許多成群的、相互平行排列的板條所組成的板條束。空間形狀是扁條狀的,一個奧氏體晶粒可轉變成幾個板條束(通常3到5個);
針狀馬氏體:又稱片狀馬氏體或高碳馬氏體,片狀馬氏體常見于高、中碳鋼及高Ni的Fe-Ni合金中;當最大尺寸的馬氏體片小到光學顯微鏡無法分辨時,便稱為隱晶馬氏體。在生產中正常淬火得到的馬氏體,一般都是隱晶馬氏體。

板條狀馬氏體金相圖

針狀馬氏體金相圖
淬火后形成的馬氏體經過回火還可以形成三種特殊的金相組織:
回火馬氏體:指淬火時形成的片狀馬氏體(晶體結構為體心四方)于回火第一階段發生分解—其中的碳以過渡碳化物的形式脫溶—所形成的、在固溶體基體(晶體結構已變為體心立方)內彌散分布著極其細小的過渡碳化物薄片(與基體的界面是共格界面)的復相組織;這種組織在金相(光學)顯微鏡下即使放大到最大倍率也分辨不出其內部構造,只看到其整體是黑針(黑針的外形與淬火時形成的片狀馬氏體(亦稱“α馬氏體”)的白針基本相同),這種黑針稱為“回火馬氏體”。

回火馬氏體金相圖
回火索氏體:淬火馬氏體經高溫回火后的產物。其特征是:索氏體基體上布有細小顆粒狀碳化物,在光鏡下能分辨清楚。這種組織又稱調質組織,它具有良好的強度和韌性的配合。鐵素體上的細顆粒狀碳化物越是細小,則其硬度和強度稍高,韌性則稍差些;反之,硬度及強度較低,而韌性則高些。

回火索氏體金相圖
回火屈氏體:淬火馬氏體經中溫回火的產物,其特征是:馬氏體針狀形態將逐步消失,但仍隱約可見(含鉻合金鋼,其合金鐵素體的再結晶溫度較高,故仍保持著針狀形態),析出的碳化物細小,在光鏡下難以分辨清楚,只有電鏡下才可見到碳化物顆粒,極易受侵蝕而使組織變黑。如果回火溫度偏上限或保留時間稍長,則使針葉呈白色;此時碳化物偏聚于針葉邊緣,這時鋼的硬度稍低,且強度下降。

回火屈氏體金相圖
鐵-碳相圖剖析
鐵-碳相圖

基于Fe-Fe3C相圖的Fe-C合金分類:
工業純鐵(Pure Iron)(含碳<0.0218%);
亞共析鋼(Hypo-EutectoidSteel)(含碳<0.77%);
共析鋼(Eutectoid Steel)(含碳為0.77%);
過共析鋼(Hyper-EutectoidSteel)(含碳>0.77%);
亞共晶白鑄鐵(Hypo-EutecticWhite Cast Iron)(含碳<4.3%);
共晶白鑄鐵(EutecticWhite Cast Iron)(含碳為4.3%);
過共晶白鑄鐵(Hyper-EutecticWhite Cast Iron)(含碳>4.3%)。
三大反應:
包晶反應(PeritecticReactions)
其特征是首先晶出之初晶固溶體與周圍殘留液體間發生反應, 而生成第二種固溶體,將原來的初晶包起來;
包晶反應式:LB + δ → AJ。
共晶反應(Eutectic Reactions)
是由一種液體同時析出兩種不同的固體;
共晶反應式:LC →AE +Fe3C。
共析反應(EutectoidReactions)
是由一種固體同時析出兩種不同的固體;
共析反應式:AS →FP +Fe3C。
特征點匯總表

特征線匯總表

鐵-碳合金的平衡結晶過程
工業純鐵


工業純鐵平衡結晶示意圖
工業純鐵室溫下組織為:鐵素體(F)+三次滲碳體(Fe3CⅢ)。

工業純鐵典型金相圖
亞共析鋼


亞共析鋼平衡結晶示意圖

亞共析鋼典型金相圖
亞共析鋼結晶過程的基本反應為:勻晶反應+包晶反應+固溶體轉變反應+共析反應。
亞共析鋼室溫平衡組織:先析鐵素體(F)+珠光體(P),P的量隨含碳量增加而增加。
共析鋼


共析鋼平衡結晶示意圖
共析鋼結晶過程的基本反應為:勻晶反應+共析反應。
共析鋼室溫組織為:100%的珠光體(P),鐵素體和滲碳體相的相對重量比為8:1。

共析鋼典型金相圖
過共析鋼


過共析鋼平衡結晶示意圖
過共析鋼結晶過程的基本反應為:勻晶反應+二次析出反應+共析反應。
共析鋼室溫組織為:珠光體(P)+二次滲碳體(Fe3CⅡ),Fe3CⅡ沿奧氏體晶界呈網狀析出,使材料的整體脆性加大。

過共析鋼典型金相圖
亞共晶白口鑄鐵


亞共晶鑄鐵平衡結晶示意圖
亞共晶白口鑄鐵結晶過程的基本反應為:勻晶反應+共晶反應+二次析出反應+共析反應。
亞共晶白口鑄鐵室溫組織為:珠光體(P)+二次滲碳體(Fe3CⅡ)+低溫萊氏體(Ld’)。

亞共晶鑄鐵典型金相圖
共晶白口鑄鐵


共晶鑄鐵平衡結晶示意圖
共晶白口鑄鐵結晶過程的基本反應為:共晶反應+二次析出反應+共析反應。
共晶白口鑄鐵室溫組織為:低溫萊氏體(Ld’)。

共晶鑄鐵典型金相圖
過共晶白口鑄鐵


過共晶鑄鐵平衡結晶示意圖
過共晶白口鑄鐵結晶過程的基本反應為:勻晶反應+共晶反應+二次析出反應+共析反應。
過共晶白口鑄鐵室溫組織為:一次滲碳體(Fe3C)+低溫萊氏體(Ld’)。

過共晶白口鑄鐵典型金相圖


