42CrMo中碳合金鋼調質后具有優良的塑韌性和沖擊性能的配合,由于其具有優良的綜合力學性能,因此,在工程建設中得到廣泛的應用。我公司應用42CrMo鍛件作為某工程建設中必不可少的軸類結構件,此工件尺寸為Ф130mm、長500mm。熱處理后鋸切工件連體試棒時發現內裂紋。
1.材料與工藝
開裂軸加工工序為:圓鋼下料→鍛造→正火→粗加工→超聲波探傷→調質→精加工。
熱處理工藝示意如圖1所示,正火880℃保溫3h空冷。調質860℃保溫3hPAG水溶液控時冷卻,580℃保溫4.5h出爐空冷,達到硬度要求241~286HBS及力學性能要求。

圖1 正火和調質熱處理工藝示意
熱處理后在帶有連體試棒的工件上鋸取試棒,鋸開后發現圖2所示裂紋。為觀察裂紋整體形貌,將圖2所示裂紋源處垂直裂紋鋸開后如圖3所示。分別在裂紋源處和工件近表面處取試塊進行分析。

圖 2

圖 3
2.分析過程
為查找工件出現內裂紋的原因,對此產品的工藝過程、裂紋宏觀形態、化學成分及金相組織等進行了分析。
(1)首先對工藝過程進行分析,這批鍛件軸共四件,其中一件帶連體試棒。這4件軸在熱處理前的超聲波探傷檢測都合格,熱處理后鋸切連體試棒時發現了如圖2所示的內裂紋,由此可判斷是熱處理過程中產生的裂紋。對其余3件軸進行超聲波檢測,沒有發現內裂紋。
(2)觀察裂紋形態,裂紋首先在工件中心形成,然后向兩邊擴展形成內裂。一般情況下,工件在淬火時由于受熱應力和組織應力的綜合影響,軸類件大都是在表面形成拉應力,心部形成壓應力,因此軸類件在淬火時開裂大部分是在表面先形成裂紋再向中心擴展。這次裂紋源在工件中心,向外擴展至近表面的情況很少見,因此我們在工件中心裂紋源處取試塊進行檢測,我們還在工件近表面取一對比試塊進行對比檢測。
(3)首先檢測化學成分,結果如附表所示。工件中心裂紋源處的碳含量超標,近表面區的碳含量在正常范圍內。其他化學成分都在正常范圍內。
42CrMo鋼的化學成分(質量分數)(%)
元素 | C | Si | Mn | Cr | Mo |
標準值 | 0.38~0.45 | 0.17~0.37 | 0.50~0.80 | 0.90~1.20 | 0.15~0.25 |
近表面 | 0.426 | 0.239 | 0.589 | 0.998 | 0.164 |
中心區 | 0.472 | 0.241 | 0.599 | 1.021 | 0.161 |
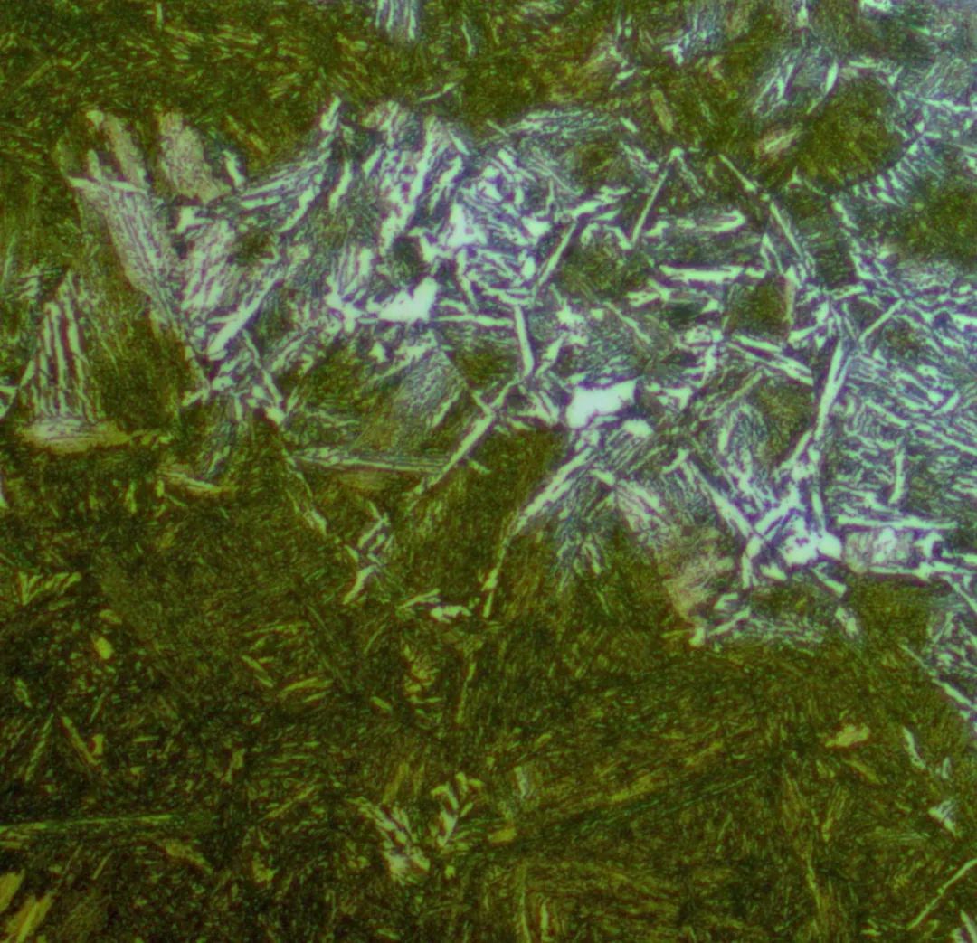
(4)金相分析,從工件的開裂部位切取縱向金相試樣,經磨制拋光后,用4%硝酸酒精溶液侵蝕,置于光學顯微鏡下觀察顯微組織。
按圖2所示裂紋源處取試樣金相分析,圖4a為裂紋源處500倍金相試樣。試樣在工件心部,工件直徑130mm。我們觀察圖4a金相組織,發現除了部分塊狀鐵素體外,還有保留板條馬氏體位向的索氏體和保留羽毛狀上貝氏體位向的回火組織,不是正常的鐵素體和珠光體混合組織,工件的心部組織混亂,這種混合的粗大組織脆性大,抗斷裂能力低,淬火時如果在這些區域形成淬火拉應力,極易形成淬火裂紋。
按圖2所示近表面處取試樣金相分析,圖4b為近表面處500倍金相試樣。近表面處為均勻細小的回火索氏體組織,這是正常的調質處理組織,說明熱處理工藝是合理的。

(a)裂紋源處 500×

(b)近表面處 500×
圖 4
3.結語
結合化學成分分析和金相分析結果,由于心部有局部區域含碳量超標,導致淬火時這些區域產生了脆性大的上貝氏體組織,心部異常組織在淬火過程中產生異常的組織應力,本應在心部形成的壓應力變成了拉應力,加上心部形成的粗大的混合組織脆性大,抗斷裂能力差,因此工件淬火時首先在這些部位形成裂紋源,在淬火過程中,裂紋向近表面擴展,從而形成圖2所示的內裂紋。
材料中心部位局部碳含量超標的危害很大。原材料進廠檢測化學成分時,按國標規定取樣位置不會取在心部,這樣的材料缺陷就不會被發現,因此給后續加工及使用埋下了隱患,這樣的材料缺陷需要在鋼廠生產過程中引起重視。
作者:辛永木
單位:巨力索具股份有限公司


